The Pump
Using an AC compressor to feed the onboard airdriven systems is not new but there are some considerations in using this system. Since most compressors use the oil and freon combination to lubricate when using these compressors for pumping air, you would need to have a oil feed system and some sort of filter to keep this same oil out of the external lines. Most York-style compressors use an internal oil reservoir for lubrication, which makes them ideal for use as stand-alone air compressors. These used mostly on Fords, AMC and some other makes in the 70's and 80's.
The couple of nifty difference comes in with the Ford and AMC versions. Most of the AMC units have hookups that run horizontally while the Ford units come out vertically. If you have a clearance issue you can gain a bit by using the AMC style hookups. You can swap across with no problems. The second space saving feature has to do with the clutch/pully assembly. The AMC sits in close while the Ford clutch hangs out about 2 inches. Now if space is really an issue there is a mini version of the York used on some import vehicles. This is denoted by the SC designation.
The only other thing about these York compressors is that they come in wide variety of capacities. The body tag on the compressor gives the details of the units capacity. On the compressor tag below the serial number will be a part number. This number gives the detail about the unit.
The Layout 
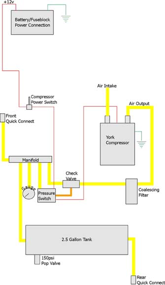
The input hose on the York compressor needs to run to an air filter. I used a $4 crankcase filter (Fram part BA3631) that looked like it would match up well to my intake hose. A foot or so of electrical tape fastened it to the metal part of the intake hose connector. If your compressor leaks any oil out through the output hose, you'll want to install an inline air filter between the compressor and the rest of the system. This should trap any oil, water, or anything else that you don't want getting blown into your tank, tires, or tools. It doesn't look like my compressor has this problem, so I opted to save $20 and skip the filter.
After the compressor was mounted, it was just a matter of plumbing. I got a ricer type crankcase breather and used it as a filter on the intake, and used a 3/8x3/8 hose barb splice on the output to run a hose to the oil separator, then from that to the air manifold.The output hose from the York (or the filter, if so equipped) needs run to a check valve that prevents air from the rest of the system from flowing back into the compressor. If this were allowed to happen, the compressor would have to work much harder to start up initially.
On the system side of the check valve, I installed a pressure switch . This switch turns the compressor's clutch on when the pressure in the system drops to a certain level, and turns it off again when the pressure climbs to a certain level. Many pressure switches have preset on and off levels, some have variable settings you can adjust. The difference between on and off is preset to about 15-20 psi. The turn on pressure of about 90-95 psi puts the shut off pressure at just under 110 psi. The Square D pressure switch (49J59) is factory pre-set to cut-in at 135 psi and cut-out at 175 psi. You don't want to run pressures too high, mainly because of the stress it puts on the York. The cut-out pressure on this unit can be adjusted to cut out at 120 PSI. The Square D has a 1/4" male NPT port. For adjustment to the pressure switch, see the manufacturers instructions. Along with adjusting the the pressure switch, you will want to adjust the pressure Relief valve to just above the cut-off pressure of the pressure switch. The Square D Pressure Switch has two Electrical circuits. The circuits makes contact when the pressure drops below the lower air pressure limit, and disconnects when the air pressure reaches the upper limit. For this application, you only need to use one of the two circuits. Hookup to the York is a matter of running your 12 volt power line into the Square D pressure switch to one of the two circuits and then off of the same circuit run a power line out to York's clutch power line.
A 160 psi pressure gauge .
Somewhere around here needs to be a pop-off safety valve rated the same as your wimpiest piece of hardware. Usually the tank was the limiting factor. If the pressure reaches a certain level, this valve will pop open to release the extra pressure before something more critical explodes. The York compressor is quite capable of pumping air to 300-400 psi. Many of the components used in a budget on-board air system can only withstand 150 or 200 psi. If your pressure switch fails for whatever reason, and doesn't switch off the compressor, you want a backup fail-safe in place. That is the purpose of the safety valve. It bleeds air out of the system when the pressure gets past a certain point. A relief valve rated at 145 psi is usually sufficient.